- 產品概述
- 選型參數
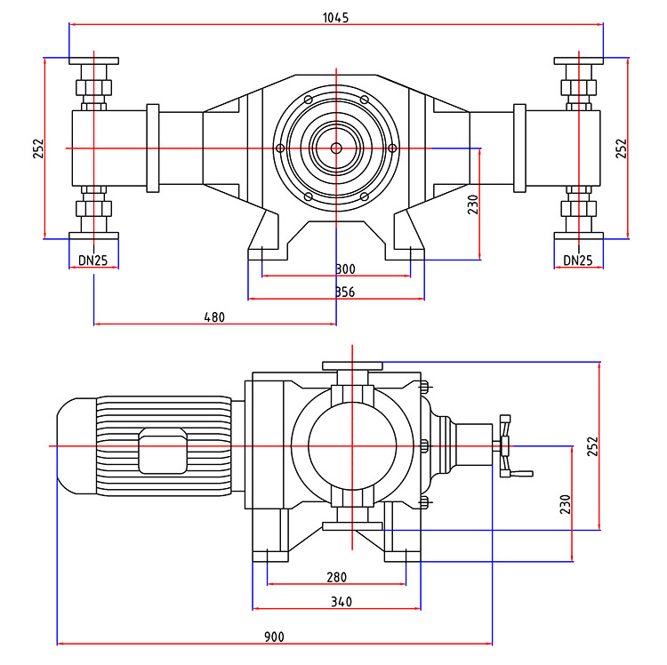
- 安裝尺寸
- 應用領域
1. 流量范圍: 0-8300 L/H
2. 壓力范圍: 0-50 Mpa
3. 計量精度:±1%
4. 介質粘度:0-800 mm2/s
5. 輸送介質溫度:450℃以下
6. 驅動系統:兩相、三相電機或防爆電機
7. 流量控制:手動控制,自動控制
二、DZ-D2型柱塞式計量泵產品原理:
1. 通過柱塞的往復運動,直接將工作介質吸入或排出。由于柱塞和密封都直接接觸介質,選擇合造的柱塞材質和密封形式,可保證泵在運轉過程中具有更理想的性能。
2. 柱塞泵頭結構簡單、經濟、計量精度高,需要選擇和維護好密封, 柱塞和密封之間橫向自動對中性,確保兩者之間的磨損小。柱塞的材質有不銹鋼、氧化陶瓷,氧化陶瓷具有耐腐蝕和硬度高耐磨的特點。
三、DZ-D2型柱塞式計量泵特點
1. 雙泵頭設計,流量為DZ-X單泵頭泵的兩倍;
2. 排出壓力較廣泛,可制成高壓泵;
3. 能輸送較高粘度介質,不推薦用在輸送腐蝕性漿料及危險性化學品的工況;
4. 軸封為填料密封,有泄漏,需周期性調整填料的預緊力,填料與柱塞是一對易損件;
5. 結構簡單,維護方便,性價比較好;
6. 可通過調節沖程長度,實現調節流量;配用變頻電機、變頻器改變電機頻率來控制流量,可實現遠程控制;
四、工作條件及可選配置
|
介質溫度: |
-30℃—150℃ |
|
可選泵頭材質: |
304、316 |
|
可選電機: |
380,防爆電機、變頻電機 |
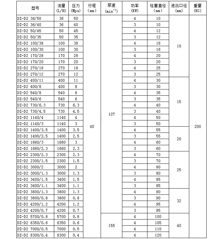
五、性能參數表
|
型號 |
流量 L/H |
壓力 MPa |
功率 kw |
柱塞 直徑 mm |
行程 mm |
泵速 min-1 |
進出 口徑 mm |
重量 kg |
|
DZ-D2 36/50 |
36 |
50 |
4 |
10 |
40 |
127 |
10 |
200 |
|
DZ-D2 36/40 |
36 |
40 |
3 |
10 |
||||
|
DZ-D2 50/45 |
50 |
45 |
4 |
12 |
||||
|
DZ-D2 50/35 |
50 |
35 |
3 |
12 |
||||
|
DZ-D2 100/38 |
100 |
38 |
4 |
16 |
||||
|
DZ-D2 100/30 |
100 |
30 |
3 |
16 |
||||
|
DZ-D2 170/28 |
170 |
28 |
4 |
20 |
||||
|
DZ-D2 170/20 |
170 |
20 |
3 |
20 |
||||
|
DZ-D2 270/18 |
270 |
18 |
4 |
25 |
||||
|
DZ-D2 270/12 |
270 |
12 |
3 |
25 |
||||
|
DZ-D2 400/11 |
400 |
11 |
4 |
30 |
15 |
|||
|
DZ-D2 400/8 |
400 |
8 |
3 |
30 |
||||
|
DZ-D2 540/8 |
540 |
8 |
4 |
35 |
||||
|
DZ-D2 540/6 |
540 |
6 |
3 |
35 |
||||
|
DZ-D2 730/6.3 |
730 |
6.3 |
4 |
40 |
||||
|
DZ-D2 730/4.5 |
730 |
4.5 |
3 |
40 |
||||
|
DZ-D2 1140/4 |
1140 |
4 |
4 |
50 |
||||
|
DZ-D2 1140/3 |
1140 |
3 |
3 |
50 |
||||
|
DZ-D2 1400/3.5 |
1400 |
3.5 |
4 |
55 |
20 |
|||
|
DZ-D2 1400/2.5 |
1400 |
2.5 |
3 |
55 |
||||
|
DZ-D2 1660/3 |
1660 |
3 |
4 |
60 |
||||
|
DZ-D2 1660/2.3 |
1660 |
2.3 |
3 |
60 |
||||
|
DZ-D2 2300/2.3 |
2300 |
2.3 |
4 |
70 |
25 |
|||
|
DZ-D2 2300/1.5 |
2300 |
1.5 |
3 |
70 |
||||
|
DZ-D2 3000/2 |
3000 |
2 |
4 |
80 |
||||
|
DZ-D2 3000/1.3 |
3000 |
1.3 |
3 |
80 |
||||
|
DZ-D2 3400/1.5 |
3400 |
1.5 |
4 |
85 |
||||
|
DZ-D2 3400/1.1 |
3400 |
1.1 |
3 |
85 |
||||
|
DZ-D2 3800/1.3 |
3800 |
1.3 |
4 |
90 |
32 |
|||
|
DZ-D2 3800/0.8 |
3800 |
0.8 |
3 |
90 |
||||
|
DZ-D2 4200/1.2 |
4200 |
1.2 |
4 |
95 |
||||
|
DZ-D2 4200/0.7 |
4200 |
0.7 |
3 |
95 |
||||
|
DZ-D2 5700/0.8 |
5700 |
0.8 |
4 |
100 |
155 |
40 |
||
|
DZ-D2 6350/0.6 |
6350 |
0.6 |
4 |
105 |
||||
|
DZ-D2 7000/0.5 |
7000 |
0.5 |
4 |
110 |
||||
|
DZ-D2 8300/0.4 |
8300 |
0.4 |
4 |
120 |
五、安裝尺寸圖


- 上一個產品: DZ-D型柱塞式計量泵
- 下一個產品: DZ-T型柱塞式計量泵




























