- 產品概述
- 選型參數
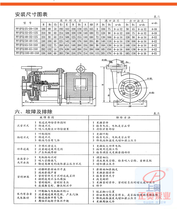
- 安裝尺寸
- 應用領域
- 型號意義
- 產品特點

一、產品概述:
PF型強耐腐蝕塑料離心泵,其泵體泵蓋,葉輪及其輸送介質接觸的零件均采用聚偏氟乙烯或增強聚丙烯模壓加工或注塑加工而成。
二、型號意義:
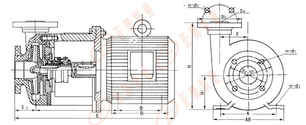
三、結構說明:
PF型強耐腐蝕塑料離心泵為直聯式結構,由泵體及托架與電機法蘭聯接,托架支承泵體,葉輪通過軸與電機直聯。該系列泵的特點:結構簡單緊湊、零件少、性能好。
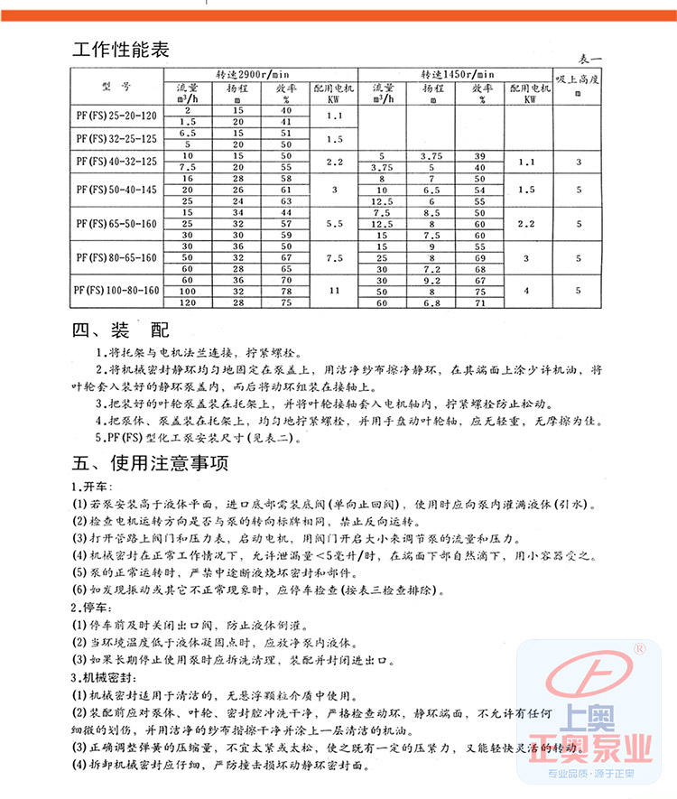
四、性能參數:
|
型號
|
轉速2900r/min
|
轉速1450r/min
|
吸上高度
|
||||||
|
流量
m3/h
|
揚程m
|
效率
|
配用電機
kw
|
流量
m3/h
|
揚程m
|
效率n
|
配用電機
KW
|
m
|
|
|
PF(FS)25-20-120
|
2
|
15
|
40
|
1.1
|
|
|
|
|
|
|
1.5
|
20
|
41
|
|||||||
|
PF(FS)32-25-125
|
6.5
|
15
|
51
|
1.5
|
|||||
|
5
|
20
|
50
|
|||||||
|
PF(FS)40-32-125
|
10
|
15
|
50
|
2.2
|
5
|
3.75
|
39
|
1.1
|
3
|
|
7.5
|
20
|
55
|
3.75
|
5
|
40
|
||||
|
PF(FS)50-40-145
|
16
|
28
|
58
|
3
|
8
|
7
|
50
|
1.5
|
5
|
|
20
|
26
|
61
|
10
|
6.5
|
54
|
||||
|
25
|
24
|
63
|
12.5
|
6
|
55
|
||||
|
PF(FS)65-50-160
|
15
|
34
|
44
|
5.5
|
7.5
|
8.5
|
50
|
2.2
|
5
|
|
25
|
32
|
57
|
12.5
|
8
|
60
|
||||
|
30
|
30
|
59
|
15
|
7.5
|
60
|
||||
|
PF(FS)80-65-160
|
30
|
36
|
50
|
7.5
|
15
|
9
|
55
|
3
|
S
|
|
50
|
32
|
67
|
25
|
8
|
69
|
||||
|
60
|
28
|
65
|
30
|
7.2
|
68
|
||||
|
PF(FS)100-80-160
|
60
|
36
|
70
|
11
|
30
|
9.2
|
67
|
4
|
5
|
|
100
|
32
|
78
|
50
|
8
|
75
|
||||
|
120
|
28
|
75
|
60
|
6.8
|
71
|
||||



- 上一個產品: FPZ型耐腐蝕塑料自吸泵
- 下一個產品: FB、AFB型耐腐蝕化工泵






















